Снятие и установка тяг привода заслонок отопителя
Снятие
|
Снимите блок управления отопителем и отсоедините соответствующую тягу (см. Раздел Снятие и установка блока управления отоплением). |
|
Тяга привода заслонки вентиляции и обдува ветрового стекла
|
- Снимите карман под правой частью панели приборов.
- Отсоедините тягу от опоры (1) и рычага (2). Выньте тягу из направляющей (3) на корпусе воздухораспределителя внизу справа.
Опора (1) и рычаг (2) тяги
|
|
Тяга привода заслонки ножных колодцев
|
Отсоедините тягу (1) от корпуса воздухораспределителя внизу справа и отсоедините его от рычага (2). Выньте тягу. Тяга (1) и рычаг воздухораспределителя (2)
|
|
Тяги привода заслонки воздуховодов (регулирования температуры)
|
- Снимите карман под правой частью панели приборов.
- Отсоедините тягу (2) справа от корпуса э/мотора вентилятора и отсоедините внутренний трос Отсоедините и выньте тягу слева из держателя (1).
Держатель (1) и тяга (2)
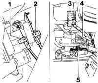
- Установка производится в обратном порядке. Тяги устанавливайте в соответствие с иллюстрацией.
Тросы (1, 2, 4, 5) и разъем (3) блока управления
|
|
 |
При прокладке тяг не сгибайте их радиусом менее 60 мм. |